垂詢電話:0311-86121818
聯系電話:
0311-86121818
首頁 > 產品中心 > ZNB系列壓濾機入料泵
一、 簡述
ZNB專用泵是一種性能特殊的雜質泵。近年來,被業(yè)內人士稱之為“壓濾機專用入料泵”。該泵由后側吸入漿液,簡單的填料密封無泄漏,更重要的是其流量、揚程曲線很陡,非常適合一些特殊的工況。
二、 特點
水力設計、結構設計先進新穎,效率高、抗磨蝕、運行平穩(wěn)可靠;
前期入料流量大、壓力低;
后期壓榨流量小,壓力高;
軸密封簡單可靠,不注水,不用機械密封,無泄漏;
壓濾入料不用變頻調速,輸送濃度高。
三、 工作原理
1、進料階段:開始進料時壓濾機濾室是空的需要快速充滿物料,ZNB型壓濾機入料專用泵初期為大流量入料,保證進料快速充滿壓濾機。
2、升壓過濾階段:當壓濾機內充滿物料壓力開始上升,壓濾機快速出水,這時壓濾機還需大流量進料。ZNB型壓濾機專用泵低壓時期,依然可以保證大流量進料快速而過濾,隨著進料壓力逐漸升高壓濾機內濾餅開始形成變厚,壓濾機的出水量開始由大變小,壓濾機的過濾能力也由大變小,進料量也隨之減小。
3、保壓過濾階段:壓濾機過濾壓力升到最高設定壓力,需要進料壓力保持恒壓過濾,壓濾機過濾能力進一步減小直到過濾完成。這時的ZNB壓濾機專用泵流量變至最小并開始保持恒壓進料。
綜上所述,ZNB壓濾機入料專用泵的工作狀態(tài)及特點為:壓濾機泵開始工作給壓濾機進料時和低壓過濾時均保持大流量供料,隨著壓濾機腔體充滿物料壓力隨之也升高,這時壓濾機過濾能力開始變小,當快達到設定壓力值時ZNB壓濾機入料泵的輸出流量變小直至充滿物料,然后繼續(xù)工作保持恒壓以保證漿料中的水分被快速壓榨出來繼而完成壓濾工作。ZNB型壓濾機入料泵可以隨著壓濾機過濾能力的逐漸降低,進料壓力逐漸升高,泵的進料流量自動變小,最小流量為額定流量的20%,泵輸出流量壓力曲線與壓濾機最佳過濾曲線基本吻合,所以一定要選擇壓濾機入料專用泵。
四、 選用
本資料所列主要技術參數為泵在1480r/min時的數據,對于要求壓力低的工況,可適當切割葉輪或降低泵轉數來解決,還可以選用我廠生產的ZNC系列渣漿泵,ZNC型泵的機械密封與ZNB泵一樣“無泄漏”。本資料只提供幾個直連傳動的基礎尺寸。因地形限制或改變泵轉數需要皮帶傳動的基礎尺寸,由現場提供具體數據另行設計。皮帶傳動方式一般有尾架式、平行式、背托式傳動。
本泵為壓入式吸入泵,吸程小,建議入料液面高于泵的中心高。進出口管道直徑一般與泵的進出口徑相同或稍大,因此液體濃度大多較高,故泵進口管路不宜過長,以免影響吸料。
五、結構圖

六、功率性能曲線

七、直連傳動主要技術參數
| 項目/型號 | 轉速 r/min | 流量 m³/h | 揚程 m | 最大軸功率 KW | 參考電機 | |
| 型號 | 功率(KW) | |||||
| 50ZNB | 1480 | 30 40 50 58 70 |
76.0 72.2 66.1 56.0 43.5 |
15 | Y180L-4 | 22 |
| Y200L-4 | 30 | |||||
| 65ZNB | 1480 | 41.4 55.2 69.0 80.0 100 |
76.0 72.2 66.1 56.0 43.5 |
22.3 | Y200L-4 | 30 |
| Y225S-4 | 37 | |||||
| 80ZNB | 1480 | 60.0 80.0 100 115 135 |
76.0 72.2 66.1 56.0 43.5 |
32 | Y225S-4 | 37 |
| Y225M-4 | 45 | |||||
| 100ZNB | 1480 | 85.0 113 150 169 175 |
73.3 69.0 62.5 51.2 44.0 |
49 | Y225M-4 | 45 |
| Y250M-4 | 55 | |||||
| 125ZNB | 1480 | 105 140 186 245 265 |
73.5 71.6 68.6 61.9 48.5 |
62.5 | Y250M-4 | 55 |
| Y280S-4 | 75 | |||||
| 125ZNB | 1480 | 119 159 211 279 305 |
80.0 78.0 74.8 67.5 52.9 |
78.2 | Y280S-4 | 75 |
| Y280M-4 | 90 | |||||
| 125ZNB | 1480 | 87.0 116 154 203 215 |
91.8 89.1 85.7 77.3 60.6 |
64.7 | Y280S-4 | 75 |
| Y280M-4 | 90 | |||||
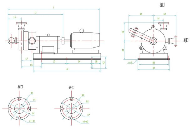
八、安裝尺寸圖


聯系人:劉經理 18603271911
鄭經理 15613159666
電話/傳真:0311-86121818
網址:http://www.tjshggc.com
地址:河北省石家莊市藁城區(qū)南董鎮(zhèn)馬圈村西九線與工業(yè)路交口南行300米路西
版權所有:石家莊中耐壓濾機泵制造有限公司
冀公網安備 13010902000484號
備案號:冀ICP備20015657號-1